
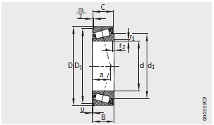
| 型号 | |
|---|---|
| 轴承 | JK0S080-A |
| 卡环 | BR125 |
| 尺寸mm | |
| d | 80 |
| D | 125 |
| B | 30 |
| C | 29.5 |
| r1, r2 min | 1.5 |
| D 1 | 119.8 |
| m/2 | 1.25 |
| a ≈ | 28 |
| u | 0.03 |
| Δ u 偏差 | +0.05 |
| d 1 ≈ | 104.2 |
| 安装尺寸mm | |
| 轴 d a max | 89 |
| 轴 d b min | 87 |
| 轴 r a max | 1.5 |
| 槽 D n 公称尺寸 | 127.3 |
| 槽 Δ Dn 偏差 | +0.25 |
| 基本额定载荷N | |
| 动载荷 C r | 137000 |
| 静载荷 C or | 211000 |
| 计算系数 | |
| e | 0.42 |
| Y | 1.42 |
| Y 0 | 0.78 |
| C ur | 26000 |
| 质量 轴承 1) m ≈kg | |
| 质量 轴承 1) m ≈kg | 1.32 |
| 极限转速 n G 脂 min –1 | |
| 极限转速 n G 脂 min –1 | 2280 |
| 承载能力 F BR 2) N | |
| 承载能力 F BR 2) N | 40200 |
| 组件最大轴向 锁紧力 配对轴承 N | |
| 组件最大轴向 锁紧力 配对轴承 N | 27400 |
河北巴捷轴承制造有限公司专业销售 巴捷-JK0S080-A-圆锥滚子轴承, 巴捷-JK0S080-A-圆锥滚子轴承 相关信息有: 型号 巴捷-JK0S080-A 内径:80 外径:125 厚度:30 类别:圆锥滚子轴承 ,想要更多的了解 巴捷-JK0S080-A-圆锥滚子轴承 的相关信息,可以进行在线咨询或者拨打热线电话 ,我们会详细为您服务。
巴捷-JK0S080-A-圆锥滚子轴承 使用范围很广,巴捷-JK0S080-A-圆锥滚子轴承 主要应用于工程机械、机床、汽 车、冶金、矿山、石油、机械、电力、铁路等行业,本公司销售的 巴捷-JK0S080-A-圆锥滚子轴承 价格合理,保证质量,全方面的服务,尽一切满足客户的需求。

