
| 型号 | |
|---|---|
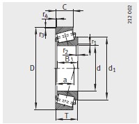
| 型号 | 32307-B |
| 尺寸mm | |
| d | 35 |
| D | 80 |
| B | 31 |
| C | 25 |
| T | 32.75 |
| r1, r2 min | 2 |
| r3, r4 min | 1.5 |
| a ≈ | 25 |
| d 1 ≈ | 59.8 |
| 安装尺寸mm | |
| d a max | 42 |
| d b min | 44 |
| D a min | 61 |
| D a max | 71 |
| D b min | 76 |
| C a min | 4 |
| C b min | 7.5 |
| r a max | 2 |
| r b max | 1.5 |
| 基本额定载荷N | |
| 动载荷 C r | 95000 |
| 静载荷 C or | 116000 |
| 计算系数 | |
| e | 0.55 |
| Y | 1.1 |
| Y 0 | 0.6 |
| 质量/ m ≈kg | |
| 质量/ m ≈kg | 0.802 |
| 疲劳极限载荷 C ur / N | |
| 疲劳极限载荷 C ur / N | 14300 |
| 极限转速 n G min –1 | |
| 极限转速 n G min –1 | 8800 |
| 可互换型号按照 ISO355 | |
| 可互换型号按照 ISO355 | T5FE035 |
| 参考转速 n B min –1 | |
| 参考转速 n B min –1 | 6300 |
河北巴捷轴承制造有限公司专业销售 巴捷-32307-B-圆锥滚子轴承, 巴捷-32307-B-圆锥滚子轴承 相关信息有: 型号 巴捷-32307-B 内径:35 外径:80 厚度:31 类别:圆锥滚子轴承 ,想要更多的了解 巴捷-32307-B-圆锥滚子轴承 的相关信息,可以进行在线咨询或者拨打热线电话 ,我们会详细为您服务。
巴捷-32307-B-圆锥滚子轴承 使用范围很广,巴捷-32307-B-圆锥滚子轴承 主要应用于工程机械、机床、汽 车、冶金、矿山、石油、机械、电力、铁路等行业,本公司销售的 巴捷-32307-B-圆锥滚子轴承 价格合理,保证质量,全方面的服务,尽一切满足客户的需求。

