
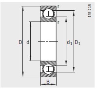
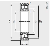
| 尺寸 mm | |
|---|---|
| d | 25 |
| D | 80 |
| B | 21 |
| r min | 1.5 |
| D 1 ≈ | 65.5 |
| D 2 ≈ | - |
| d 1 ≈ | 49.3 |
| 安装尺寸 mm | |
| d a min | 36 |
| D a max | 71 |
| r a max | 1.5 |
| 基本额定载荷 N | |
| 动载荷 C r | 33500 |
| 静载荷 C or | 19000 |
| 型号 | |
| 型号 | 6405 |
| 质量m ≈kg | |
| 质量m ≈kg | 0.549 |
| 疲劳极限载荷 C ur / N | |
| 疲劳极限载荷 C ur / N | 1250 |
| 极限转速 n G /min –1 | |
| 极限转速 n G /min –1 | 20000 |
| 参考转速 n B /min –1 | |
| 参考转速 n B /min –1 | 11000 |
河北巴捷轴承制造有限公司专业销售 巴捷-6405-深沟球轴承, 巴捷-6405-深沟球轴承 相关信息有: 型号 巴捷-6405 内径:25 外径:80 厚度:21 类别:深沟球轴承 ,想要更多的了解 巴捷-6405-深沟球轴承 的相关信息,可以进行在线咨询或者拨打热线电话 ,我们会详细为您服务。
巴捷-6405-深沟球轴承 使用范围很广,巴捷-6405-深沟球轴承 主要应用于工程机械、机床、汽 车、冶金、矿山、石油、机械、电力、铁路等行业,本公司销售的 巴捷-6405-深沟球轴承 价格合理,保证质量,全方面的服务,尽一切满足客户的需求。

