
| 型号 | |
|---|---|
| 型号 | NU2319-E-TVP2 |
| X-life | |
| X-life | XL |
| 疲劳极限载荷 C ur / N | |
| 疲劳极限载荷 C ur / N | 93000 |
| 极限转速 n G /min –1 | |
| 极限转速 n G /min –1 | 3400 |
| 参考转速 n B /min –1 | |
| 参考转速 n B /min –1 | 2850 |
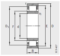
| 尺寸 mm | |
| d | 95 |
| D | 200 |
| B | 67 |
| r min | 3 |
| r 1 min | 3 |
| s 1) | 5.6 |
| E | 177.5 |
| F | 121.5 |
| D 1 ≈ | 169.6 |
| d 1 ≈ | - |
| 安装尺寸 mm | |
| d a min | 109 |
| d a max | 119 |
| d b min | 124 |
| D a max | 186 |
| D b min | - |
| D c max | - |
| r a max | 2.5 |
| r a1 max | 2.5 |
| 基本额定载荷 N | |
| 动载荷 C r | 540000 |
| 静载荷 C or | 580000 |
| 质量m ≈kg | |
| 质量m ≈kg | 9.4 |
河北巴捷轴承制造有限公司专业销售 巴捷-NU2319-E-TVP2-圆柱滚子轴承, 巴捷-NU2319-E-TVP2-圆柱滚子轴承 相关信息有: 型号 巴捷-NU2319-E-TVP2 内径:95 外径:200 厚度:67 类别:圆柱滚子轴承 ,想要更多的了解 巴捷-NU2319-E-TVP2-圆柱滚子轴承 的相关信息,可以进行在线咨询或者拨打热线电话 ,我们会详细为您服务。
巴捷-NU2319-E-TVP2-圆柱滚子轴承 使用范围很广,巴捷-NU2319-E-TVP2-圆柱滚子轴承 主要应用于工程机械、机床、汽 车、冶金、矿山、石油、机械、电力、铁路等行业,本公司销售的 巴捷-NU2319-E-TVP2-圆柱滚子轴承 价格合理,保证质量,全方面的服务,尽一切满足客户的需求。

