
| 型号 | |
|---|---|
| 型号 | 51180-MP |
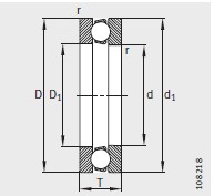
| 尺寸mm | |
| d | 400 |
| D | 480 |
| T | 65 |
| D 1 | 404 |
| d 1 | 476 |
| r min | 2 |
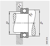
| 安装尺寸mm | |
| d a min | 448 |
| D a max | 432 |
| r a max | 2 |
| 基本额定载荷N | |
| 动载荷 C a | 440000 |
| 静载荷 C oa | 2320000 |
| 疲劳极限载荷 C ua N | |
| 疲劳极限载荷 C ua N | 49500 |
| 最小载荷系数 A | |
| 最小载荷系数 A | 28 |
| 极限转速 n G min –1 | |
| 极限转速 n G min –1 | 900 |
| 质量m ≈kg | |
| 质量m ≈kg | 23.5 |
河北巴捷轴承制造有限公司专业销售 巴捷-51180-MP-推力球轴承, 巴捷-51180-MP-推力球轴承 相关信息有: 型号 巴捷-51180-MP 内径:400 外径:480 厚度:65 类别:推力球轴承 ,想要更多的了解 巴捷-51180-MP-推力球轴承 的相关信息,可以进行在线咨询或者拨打热线电话 ,我们会详细为您服务。
巴捷-51180-MP-推力球轴承 使用范围很广,巴捷-51180-MP-推力球轴承 主要应用于工程机械、机床、汽 车、冶金、矿山、石油、机械、电力、铁路等行业,本公司销售的 巴捷-51180-MP-推力球轴承 价格合理,保证质量,全方面的服务,尽一切满足客户的需求。

