
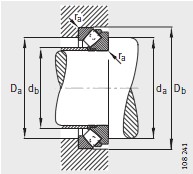
| 尺寸mm | |
|---|---|
| d | 460 |
| D | 620 |
| T | 95 |
| D 1 | 528 |
| d 1 | 590 |
| r min | 5 |
| T 1 | 46 |
| T 2 | 34 |
| T 3 | 61 |
| T 4 | 70 |
| A | 245 |
| 安装尺寸mm | |
| d a min | 530 |
| D a max | 575 |
| D b min | 632 |
| d b max | 477 |
| r a max | 4 |
| 基本额定载荷N | |
| 动载荷 C a | 2700000 |
| 静载荷 C oa | 13400000 |
| 型号 | |
| 型号 | 29292-E-MB |
| 质量m ≈kg | |
| 质量m ≈kg | 76.3 |
| 疲劳极限载荷 C ua N | |
| 疲劳极限载荷 C ua N | 660000 |
| 极限转速 n G min –1 | |
| 极限转速 n G min –1 | 950 |
| 参考转速 n B min –1 | |
| 参考转速 n B min –1 | 530 |
河北巴捷轴承制造有限公司专业销售 巴捷-29292-E-MB-推力调心滚子轴承, 巴捷-29292-E-MB-推力调心滚子轴承 相关信息有: 型号 巴捷-29292-E-MB 内径:460 外径:620 厚度:95 类别:推力调心滚子轴承 ,想要更多的了解 巴捷-29292-E-MB-推力调心滚子轴承 的相关信息,可以进行在线咨询或者拨打热线电话 ,我们会详细为您服务。
巴捷-29292-E-MB-推力调心滚子轴承 使用范围很广,巴捷-29292-E-MB-推力调心滚子轴承 主要应用于工程机械、机床、汽 车、冶金、矿山、石油、机械、电力、铁路等行业,本公司销售的 巴捷-29292-E-MB-推力调心滚子轴承 价格合理,保证质量,全方面的服务,尽一切满足客户的需求。

