
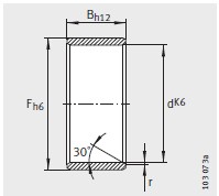
| 尺寸mm | |
|---|---|
| d | 17 |
| F | 21 |
| B | 16 |
| r min | 0.3 |
| 型号 | |
| 型号 | IR17X21X16 |
| 滚道F公差 μm | |
| 上限 | 0 |
| 下限 | -12 |
| 质量m ≈kg | |
| 质量m ≈kg | 15 |
河北巴捷轴承制造有限公司专业销售 巴捷-IR17X21X16-机加工滚针轴承, 巴捷-IR17X21X16-机加工滚针轴承 相关信息有: 型号 巴捷-IR17X21X16 内径:17 外径:21 厚度:16 类别:机加工滚针轴承 ,想要更多的了解 巴捷-IR17X21X16-机加工滚针轴承 的相关信息,可以进行在线咨询或者拨打热线电话 ,我们会详细为您服务。
巴捷-IR17X21X16-机加工滚针轴承 使用范围很广,巴捷-IR17X21X16-机加工滚针轴承 主要应用于工程机械、机床、汽 车、冶金、矿山、石油、机械、电力、铁路等行业,本公司销售的 巴捷-IR17X21X16-机加工滚针轴承 价格合理,保证质量,全方面的服务,尽一切满足客户的需求。

