
| 尺寸mm | |
|---|---|
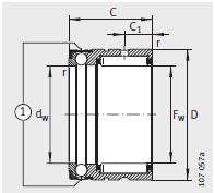
| 用于脂润滑 | NX7-Z-TV |
| F w | 7 |
| D | 14 |
| C -0.25 | 18 |
| C 1 | 4.7 |
| d w E8 | 7 |
| r min | 0.3 |
| 基本额定载荷N | |
| 径向 动载荷/C r | 3250 |
| 径向 静载荷/C or | 2650 |
| 轴向 动载荷/C r | 3150 |
| 轴向 静载荷/C or | 4300 |
| 型号 | |
| 用于油润滑 | NX7-TV |
| X-life | XL |
| 质量m ≈kg | 14 |
| 极限转速 n G min –1 | |
| 极限转速 n G min –1 | 15000 |
| 疲劳极限载荷N | |
| C ur | 410 |
| C ua | 190 |
| 安装尺寸mm | |
| C 2 | 10 |
| D 1 | 16.5 |
| d a | 9.6 |
| r a max | 0.3 |
| 推荐的内圈 型号 | |
| 推荐的内圈 型号 | - |
| 合适的卡环 | |
| 合适的卡环 | WR14、SW14 |
河北巴捷轴承制造有限公司专业销售 巴捷-XL-机加工滚针轴承, 巴捷-XL-机加工滚针轴承 相关信息有: 型号 巴捷-XL 内径:35 外径:47 厚度:30 类别:机加工滚针轴承 ,想要更多的了解 巴捷-XL-机加工滚针轴承 的相关信息,可以进行在线咨询或者拨打热线电话 ,我们会详细为您服务。
巴捷-XL-机加工滚针轴承 使用范围很广,巴捷-XL-机加工滚针轴承 主要应用于工程机械、机床、汽 车、冶金、矿山、石油、机械、电力、铁路等行业,本公司销售的 巴捷-XL-机加工滚针轴承 价格合理,保证质量,全方面的服务,尽一切满足客户的需求。

