
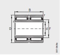
| 尺寸mm | |
|---|---|
| d | 45 |
| F | 55 |
| D | 72 |
| B | 22 |
| r min | 1 |
| s 2) | 0.5 |
| 基本额定载荷N | |
| 动载荷 C r | 51000 |
| 静载荷 C or | 74000 |
| X-life | |
| X-life | XL |
| 疲劳极限载荷 C ur /N | |
| 疲劳极限载荷 C ur /N | 12700 |
| 极限转速 n G min –1 | |
| 极限转速 n G min –1 | 8400 |
| 质量m ≈kg | |
| 质量m ≈kg | 336 |
| 参考转速 n B min –1 | |
| 参考转速 n B min –1 | 4750 |
| 型号1 | |
| 型号1 | - |
| 型号2 | |
| 型号2 | - |
| 型号3 | |
| 型号3 | - |
| 型号4 | |
| 型号4 | NKIS45 |
河北巴捷轴承制造有限公司专业销售 巴捷-NKIS45-机加工滚针轴承, 巴捷-NKIS45-机加工滚针轴承 相关信息有: 型号 巴捷-NKIS45 内径:45 外径:72 厚度:22 类别:机加工滚针轴承 ,想要更多的了解 巴捷-NKIS45-机加工滚针轴承 的相关信息,可以进行在线咨询或者拨打热线电话 ,我们会详细为您服务。
巴捷-NKIS45-机加工滚针轴承 使用范围很广,巴捷-NKIS45-机加工滚针轴承 主要应用于工程机械、机床、汽 车、冶金、矿山、石油、机械、电力、铁路等行业,本公司销售的 巴捷-NKIS45-机加工滚针轴承 价格合理,保证质量,全方面的服务,尽一切满足客户的需求。

