
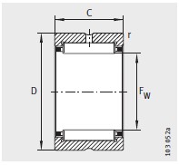
| 尺寸mm | |
|---|---|
| F w | 58 |
| D | 72 |
| C | 40 |
| r min | 0.6 |
| 基本额定载荷N | |
| 动载荷 C r | 82000 |
| 静载荷 C or | 139000 |
| X-life | |
| X-life | XL |
| 疲劳极限载荷 C ur /N | |
| 疲劳极限载荷 C ur /N | 23400 |
| 极限转速 n G min –1 | |
| 极限转速 n G min –1 | 7500 |
| 质量m ≈kg | |
| 质量m ≈kg | 310 |
| 参考转速 n B min –1 | |
| 参考转速 n B min –1 | 4150 |
| 型号1 | |
| 型号1 | - |
| 型号2 | |
| 型号2 | - |
| 型号3 | |
| 型号3 | RNA6910-ZW |
| 型号4 | |
| 型号4 | - |
河北巴捷轴承制造有限公司专业销售 巴捷-RNA6910-ZW-机加工滚针轴承, 巴捷-RNA6910-ZW-机加工滚针轴承 相关信息有: 型号 巴捷-RNA6910-ZW 内径:58 外径:72 厚度:40 类别:机加工滚针轴承 ,想要更多的了解 巴捷-RNA6910-ZW-机加工滚针轴承 的相关信息,可以进行在线咨询或者拨打热线电话 ,我们会详细为您服务。
巴捷-RNA6910-ZW-机加工滚针轴承 使用范围很广,巴捷-RNA6910-ZW-机加工滚针轴承 主要应用于工程机械、机床、汽 车、冶金、矿山、石油、机械、电力、铁路等行业,本公司销售的 巴捷-RNA6910-ZW-机加工滚针轴承 价格合理,保证质量,全方面的服务,尽一切满足客户的需求。

