
| 推力圆柱滚子轴承 | |
|---|---|
| 型号1 | 81136-M |
| 型号2 | - |
| 型号4 | - |
| 质量m ≈kg | 3.3 |
| 推力轴承垫圈 | |
| 座圈 型号 | GS81136 |
| 轴圈 型号 | WS81136 |
| 质量m ≈kg | 1.12 |
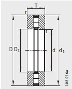
| 尺寸mm | |
| D c1 d | 180 |
| D 1 | 183 |
| D c D | 225 |
| d 1 | 222 |
| T | 34 |
| D w | 14 |
| B | 10 |
| a r min | 1.1 |
| 滚道尺寸 | |
| E b | 186 |
| E a | 220 |
| 基本额定载荷N | |
| 动载荷 C a | 340000 |
| 静载荷 C oa | 1300000 |
| 疲劳极限载荷 C ua N | |
| 疲劳极限载荷 C ua N | 107000 |
| 极限转速 n G min –1 | |
| 极限转速 n G min –1 | 1420 |
| 参考转速 n B min –1 | |
| 参考转速 n B min –1 | 590 |
| 推力圆柱滚子和保持架 | |
| 型号 | K81136-M |
| 质量m ≈kg | 1.46 |
河北巴捷轴承制造有限公司专业销售 巴捷-81136-M-推力圆柱滚子轴承, 巴捷-81136-M-推力圆柱滚子轴承 相关信息有: 型号 巴捷-81136-M 内径: 外径: 厚度: 类别:推力圆柱滚子轴承 ,想要更多的了解 巴捷-81136-M-推力圆柱滚子轴承 的相关信息,可以进行在线咨询或者拨打热线电话 ,我们会详细为您服务。
巴捷-81136-M-推力圆柱滚子轴承 使用范围很广,巴捷-81136-M-推力圆柱滚子轴承 主要应用于工程机械、机床、汽 车、冶金、矿山、石油、机械、电力、铁路等行业,本公司销售的 巴捷-81136-M-推力圆柱滚子轴承 价格合理,保证质量,全方面的服务,尽一切满足客户的需求。

