
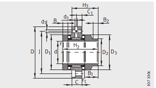
| 尺寸(mm) | |
|---|---|
| d | 30 |
| D | 80 |
| H | 50 |
| H 1 | 33 |
| H 2 | - |
| H 3 | - |
| C | 18 |
| C 1 | 10 |
| D 1 | 52 |
| D 2 | - |
| D 3 | - |
| B | 10 |
| B 1 | - |
| B 2 | - |
| r min | 0.3 |
| r 1 min | 0.6 |
| d 1 | 3.2 |
| J | 63 |
| 型号 | |
| 型号 | ZARF3080-TV |
| 质量 m ≈kg | |
| 质量 m ≈kg | 0.85 |
| 安装尺寸 1) | |
| D a max | 53 |
| d a min | 44 |
| 基本额定载荷 | |
| 轴向动载荷 C a N | 39000 |
| 轴向静载荷 C oa N | 101000 |
| 径向动载荷 C r N | 24300 |
| 径向静载荷C or N | 41500 |
| 极限转速 | |
| n G 油 min -1 | 5500 |
| n G 脂 min -1 | 1800 |
| 轴承摩擦 力矩 M RL N m | |
| 轴承摩擦 力矩 M RL N m | 0.65 |
| 刚度 轴向 c aL N/μm | |
| 刚度 轴向 c aL N/μm | 2200 |
| 轴向 跳动 6) μm | |
| 轴向 跳动 6) μm | 1 |
河北巴捷轴承制造有限公司专业销售 巴捷-ZARF3080-TV-丝杠支撑轴承, 巴捷-ZARF3080-TV-丝杠支撑轴承 相关信息有: 型号 巴捷-ZARF3080-TV 内径:30 外径:80 厚度:10 类别:丝杠支撑轴承 ,想要更多的了解 巴捷-ZARF3080-TV-丝杠支撑轴承 的相关信息,可以进行在线咨询或者拨打热线电话 ,我们会详细为您服务。
巴捷-ZARF3080-TV-丝杠支撑轴承 使用范围很广,巴捷-ZARF3080-TV-丝杠支撑轴承 主要应用于工程机械、机床、汽 车、冶金、矿山、石油、机械、电力、铁路等行业,本公司销售的 巴捷-ZARF3080-TV-丝杠支撑轴承 价格合理,保证质量,全方面的服务,尽一切满足客户的需求。

