
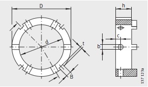
| 尺寸(mm) | |
|---|---|
| D | 155 |
| h | 25 |
| d | 130 |
| b H 11 | 8 |
| c | 10 |
| B | 12 |
| t | 5 |
| 型号 | |
| 型号 | AMS130 |
| 质量 m ≈kg | |
| 质量 m ≈kg | 1.485 |
| 用于精密锁紧螺母 | |
| 用于精密锁紧螺母 | AM120、AM130 |
河北巴捷轴承制造有限公司专业销售 巴捷-AMS130-丝杠支撑轴承, 巴捷-AMS130-丝杠支撑轴承 相关信息有: 型号 巴捷-AMS130 内径:130 外径:155 厚度:12 类别:丝杠支撑轴承 ,想要更多的了解 巴捷-AMS130-丝杠支撑轴承 的相关信息,可以进行在线咨询或者拨打热线电话 ,我们会详细为您服务。
巴捷-AMS130-丝杠支撑轴承 使用范围很广,巴捷-AMS130-丝杠支撑轴承 主要应用于工程机械、机床、汽 车、冶金、矿山、石油、机械、电力、铁路等行业,本公司销售的 巴捷-AMS130-丝杠支撑轴承 价格合理,保证质量,全方面的服务,尽一切满足客户的需求。

