
| 型号 | |
|---|---|
| 型号 | ZKLN1242-2RS |
| 刚度 轴向 c aL N/μm | |
| 刚度 轴向 C aL N/μm | 375 |
| 尺寸mm | |
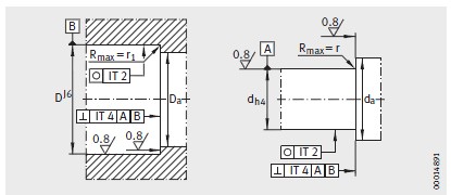
| d -0.005 | 12 |
| D -0.010 | 42 |
| B -0.25 | 25 |
| d 1 | 25 |
| r min | 0.3 |
| r 1 min | 0.6 |
| 安装尺寸mm | |
| D a max | 33 |
| d a min | 16 |
| 基本额定载荷 轴向 | |
| 动载荷 C a N | 16900 |
| 静载荷 C oa N | 24700 |
| 推荐的INA锁紧螺母,需单独订购 | |
| 型号1 | ZM12 |
| 型号2 | - |
| 锁紧 力矩 3) MA Nm | 8 |
| 轴向 预紧力 N | 5038 |
| 质量m ≈kg | |
| 质量m ≈kg | 0.2 |
| 极限 转速 n G 脂 min –1 | |
| 极限 转速 n G 脂 min –1 | 3800 |
| 轴承 摩擦 力矩 M RL Nm | |
| 轴承 摩擦 力矩 M RL Nm | 0.16 |
| 倾覆 刚度 c kL Nm/ mrad | |
| 倾覆 刚度 c kL Nm/ mrad | 50 |
| 轴向 跳动 4) μm | |
| 轴向 跳动 4) μm | 2 |
| 质量 惯性矩 1) M m kg · cm 2 | |
| 质量 惯性矩 1) M m kg · cm 2 | 0.068 |
河北巴捷轴承制造有限公司专业销售 巴捷-ZKLN1242-2RS-丝杠支撑轴承, 巴捷-ZKLN1242-2RS-丝杠支撑轴承 相关信息有: 型号 巴捷-ZKLN1242-2RS 内径:12 外径:42 厚度:25 类别:丝杠支撑轴承 ,想要更多的了解 巴捷-ZKLN1242-2RS-丝杠支撑轴承 的相关信息,可以进行在线咨询或者拨打热线电话 ,我们会详细为您服务。
巴捷-ZKLN1242-2RS-丝杠支撑轴承 使用范围很广,巴捷-ZKLN1242-2RS-丝杠支撑轴承 主要应用于工程机械、机床、汽 车、冶金、矿山、石油、机械、电力、铁路等行业,本公司销售的 巴捷-ZKLN1242-2RS-丝杠支撑轴承 价格合理,保证质量,全方面的服务,尽一切满足客户的需求。

