
| 型号 | |
|---|---|
| 轴承单元 | VRE322-A |
| 轴承① | 6322-C3 |
| 轴承② | 6322-C3 |
| 轴承座 | VR322-A |
| 轴 | VRW322-A |
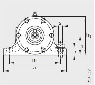
| 尺寸 | |
| d | 110 |
| D | 240 |
| B | 50 |
| a | 450 |
| g 2 | 678 |
| h 1 | 295 |
| d 2 | 130 |
| d 4 | 100 |
| w 2 | - |
| w 3 | 210 |
| w 4 | 313 |
| w 5 | 507 |
| w 6 | 1133 |
| w 7 | - |
| b | 95 |
| n | 520 |
| m | 380 |
| c | 40 |
| h | 150 |
| s | M24 |
| 质量 m | |
| 轴承座 ≈kg | 130 |
| 单元 ≈kg | 226 |
| e | 580 |
河北巴捷轴承制造有限公司专业销售 巴捷-6322-C3-轴承座, 巴捷-6322-C3-轴承座 相关信息有: 型号 巴捷-6322-C3 内径: 外径: 厚度: 类别:轴承座 ,想要更多的了解 巴捷-6322-C3-轴承座 的相关信息,可以进行在线咨询或者拨打热线电话 ,我们会详细为您服务。
巴捷-6322-C3-轴承座 使用范围很广,巴捷-6322-C3-轴承座 主要应用于工程机械、机床、汽 车、冶金、矿山、石油、机械、电力、铁路等行业,本公司销售的 巴捷-6322-C3-轴承座 价格合理,保证质量,全方面的服务,尽一切满足客户的需求。

