
| 推力圆柱滚子轴承 | |
|---|---|
| 型号1 | 81128-TV |
| 型号2 | - |
| 型号3 | - |
| 型号4 | - |
| 质量m ≈kg | 1.9 |
| 推力圆柱滚子和保持架 组件 | |
| 型号 | K81128-TV |
| 质量m ≈kg | 0.4 |
| 推力轴承垫圈 | |
| 座圈 型号 | GS81128 |
| 轴圈 型号 | WS81128 |
| 垫圈 型号 | LS140180 |
| 质量m ≈kg | 0.749 |
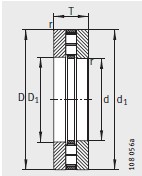
| 尺寸mm | |
| D c1 d | 140 |
| D 1 | 142 |
| D c D | 180 |
| d 1 | 178 |
| T | 31 |
| D w | 12 |
| B | 9.5 |
| a r min | 1 |
| 滚道尺寸 | |
| E b | 145 |
| E a | 175 |
| 基本额定载荷N | |
| 动载荷 C a | 260000 |
| 静载荷 C oa | 960000 |
| 疲劳极限载荷 C ua N | |
| 疲劳极限载荷 C ua N | 83000 |
| 极限转速 n G min –1 | |
| 极限转速 n G min –1 | 1800 |
| 参考转速 n B min –1 | |
| 参考转速 n B min –1 | 710 |
河北巴捷轴承制造有限公司专业销售 巴捷-81128-TV-推力圆柱滚子轴承, 巴捷-81128-TV-推力圆柱滚子轴承 相关信息有: 型号 巴捷-81128-TV 内径: 外径: 厚度: 类别:推力圆柱滚子轴承 ,想要更多的了解 巴捷-81128-TV-推力圆柱滚子轴承 的相关信息,可以进行在线咨询或者拨打热线电话 ,我们会详细为您服务。
巴捷-81128-TV-推力圆柱滚子轴承 使用范围很广,巴捷-81128-TV-推力圆柱滚子轴承 主要应用于工程机械、机床、汽 车、冶金、矿山、石油、机械、电力、铁路等行业,本公司销售的 巴捷-81128-TV-推力圆柱滚子轴承 价格合理,保证质量,全方面的服务,尽一切满足客户的需求。

